SRM全密封全絕緣充氣柜概述 Overview:
我公司自主研發的SRM6-12充氣式SF6金屬封閉全絕緣系列壞網開關柜,已經通過國家高壓電器試驗中心型式試驗和浙江省新科技技術項目被列為浙江省新科技產品。產品廣泛用于10kV/6kV配電系統,是城鄉各類用戶變配電系統的開關產品。
開關柜為模塊化單元模式,可根據不同用途進行組合;由固定式單元組合與可擴展型單元兩大類,滿足各種變電站對緊湊型開關柜靈活使用的需要。
SRM6-12充氣式壞網柜是一個密封的系統,其所帶電部件以及幵關封閉在不銹鋼的本體內。整個開關裝皆不受外部環境條件 影響,從而可以優良運行可靠性及人身安全。并且實現了免維護。通過選擇可擴展母線,可以實現任何組合,達到全模塊化。擴展母線 安全絕緣和屏蔽,保障了可靠性和安全性。
SRM6-12充氣式環網柜同時可以提供TV化的自動化解決方案,形成了智能化開關的概念, 并將現場安裝及調試工作量降到較低。
SRM6-12充氣式環網柜分為非擴展標準配置和可擴展標準配置。由于具有全模塊和半模塊的組合性以及自可擴展性,因而具有極 特別的靈活性。 SRM6-12充氣式壞網柜執行GB標準。
SRM全密封全絕緣充氣柜型號含義
?舉例說明:
? SRM6-12-C/630DL表示負荷開關柜,額定電壓12kV,額定電流630A,右邊擴展,左電纜進出線方式。
? SRM6-12-CF/630IR表示負荷開關單元和熔斷器組合單元組合而成,母線電壓12kV,母線電流630A,左邊擴展,右電纜進出線方式。
SRM全密封全絕緣充氣柜產品型號主要特點 Product model main features
?操作安全
?通過以下安全措施,我們可為用戶提供特別的安全保障:
?一體化三工位負荷開關 ?斷路器采用負荷開關替代隔離開關,更安全可靠
?一次側全密閉設計提供息外接觸的保護 ?滿足五防要求的機械聯鎖
?帶電顯示器可提供進出線路帶電指示
?運行可靠
?全密閉設計,10kV開關及母線帶電體均密封在3mm不銹鋼板焊接成的氣箱中;配硅橡膠電纜插頭,實現電纜頭全絕緣全密封,從而不受灰塵、潮濕、小動物等外界環境影響
?彈簧儲能操作機構,可人工或電動操作
?面板模擬線圖提供開關位置指示
?柜體用鍍鋅板制作,表面靜電噴涂,增強抗腐蝕性能 ?壓力表監視箱體內SF6氣體安全壓力范圍
?經濟性
?免維護
?高度可靠
?方案靈活
?多種進線方式,可實現左、右、上或前進線
?多種組合方式,各單元之間可實現任意組合
?采用絕緣母線,可實現前后并柜或左右并柜
?設計方案靈活
?應用廣泛 ?饋出線容屋大、占地小,適合多種應用需求
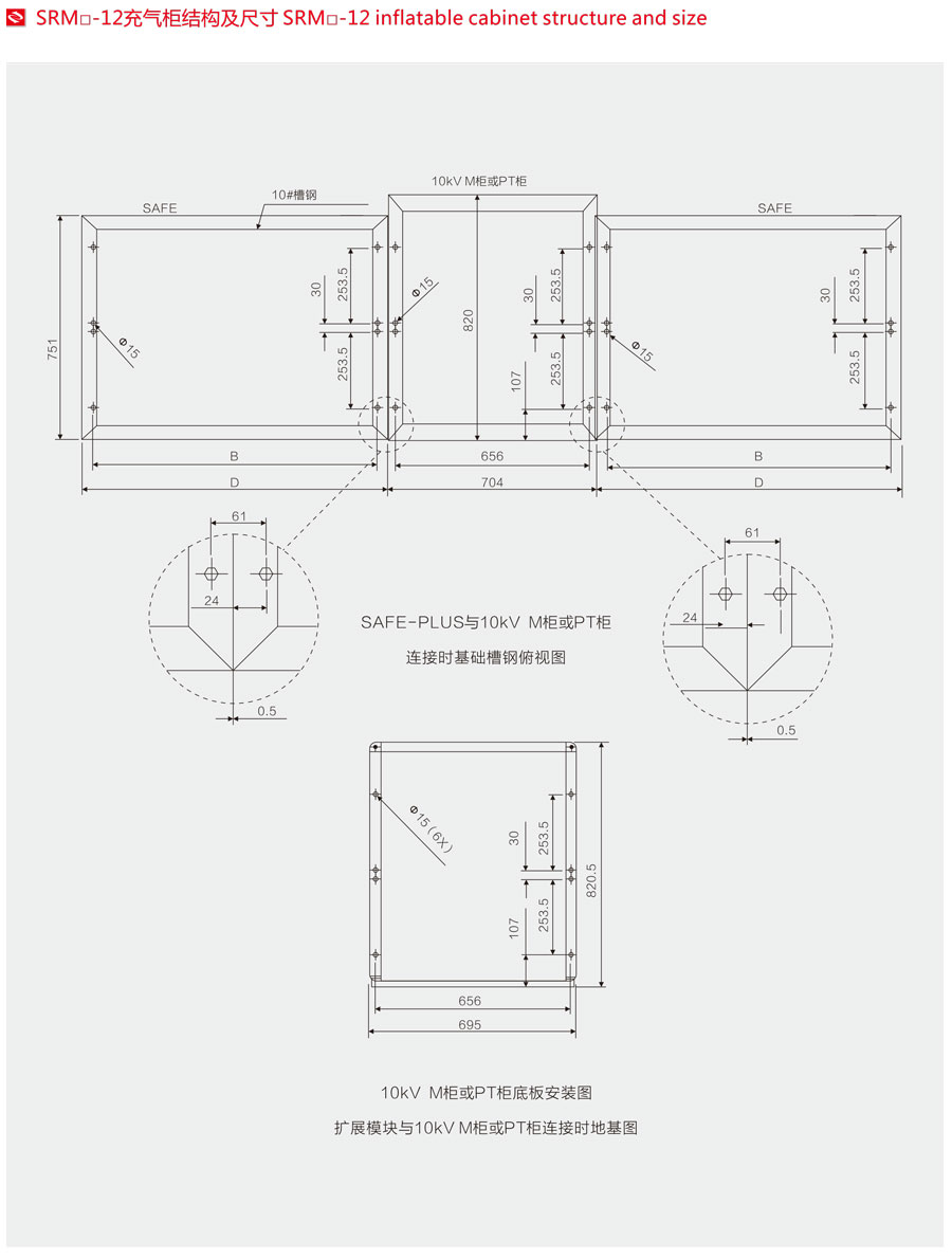
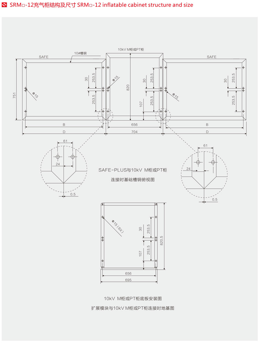
SRM全密封全絕緣充氣柜設計說明Design Notes
?技術說明
SRM6-12系列充氣式開關柜安裝在一個鍍鋅板框架上,開關單元在SF6氣箱內,氣箱由抗腐蝕和無磁性3mm厚不銹鋼板制成。 SF6氣箱是一個“密封壓力系統”在正常工作壞境下可運行20年。SF6氣體正常工作時壓力為0.15?0.4bar。氣箱裝有壓力釋放 裝置,當壓力過高時,保證氣體能從底部或后部釋放。
?開關單元 負荷開關采用同軸旋轉雙斷點方式,通過同一操作孔與滑板配合進行動能操作,因此開關在任一時刻只能處于“合閘、分閘、接 地”三種狀態的其中之一,徹底避免誤操作。
?操作機構 開關的操作機構安裝在氣箱外的前部,經特別工藝處理,防銹蝕,方便手動操作及維護,并很容易實現電動操作。





